低能耗二氧化碳捕集技術
一、碳捕集的技術介紹
燃燒后脫碳技術可以分為物理吸收法、化學吸收法、膜分離法、低溫蒸餾法、吸附法等,其中最常用的是化學吸收法。對于中等或較低二氧化碳分壓的場景通常選用化學吸收法,該方法具有技術成熟、運行穩定、選擇性高、應用廣泛、溶劑可再生、反應速度快、氣體回收純度高等優點。
二、公司技術介紹
2.1按規模大小分類:
1)F系列撬裝—小規模

2)P系列工程現場大型項目—大規模工業化
2.2公司業務范圍:包括工藝包設計、技術服務、設備撬裝和設備研發制造、高效藥劑和材料等。
2.3部分項目業績:公司以CCUS團隊為班底、聯合其他專業精兵已完成10萬噸/年碳捕集工藝包一項,工藝包設計指標先進。完成200標方和千噸級碳捕集設備供貨項目共4套,已投產項目運行良好,主要技術指標處于國內領先水平,是我公司在二氧化碳捕集領域的又一次突破,為我國能源行業的綠色低碳轉型發展貢獻力量。
三、化學吸收法的重點介紹
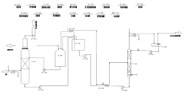
3.1流程:

上游裝置來的低濃度CO?氣體,經過預處理后,從吸收塔底部進入。在吸收塔內與吸收劑發生反應后,富液由塔底排出進入分相器分為富相液和貧相液。其中的富相液有兩個去向,大部分的富相液經貧液/富液換熱器及氣液換熱器換熱后升溫,然后進入解吸塔受熱分解釋放CO?,經冷凝分離CO?,壓縮后作為CO?產品。少部分富相液與解吸塔頂的冷凝回流液混合后從解吸塔頂進入。解吸塔底排出的貧液經貧液/富液換熱器及貧液冷卻器換熱后降溫,然后進入貧液罐,貧液罐的胺液進入吸收塔循環吸收CO?。
3.2節能降耗的設計:
級間冷卻:級間冷卻是從吸收塔高溫段抽取吸收液,經循環水冷卻到一定溫度再送回吸收塔以降低吸收塔整體溫度,一定程度上可提升吸收液的捕集能力。
貧富分相:相變吸收劑在吸收CO?前為均相溶劑,隨著吸收過程中 CO?吸收載荷變化形成兩相溶液,兩相溶液在分相裝置中分相,分相后的貧相返回吸收塔,僅有富相被送往再生塔再生,再生能耗可大幅降低。
富液分流:吸收了CO?的富液中的大部分進入貧富液換熱器后再進入解吸塔,少部分與解吸塔頂蒸汽直接接觸換熱后進入解吸塔,這樣不僅減少了解吸塔頂蒸汽冷卻水用量而且降低了系統再生能耗。
閃蒸壓縮(MVR):高溫胺液進入低壓罐進行閃蒸出的二次蒸汽經壓縮機壓縮為過熱蒸汽,閃蒸出的二次蒸汽可替代部分新鮮蒸汽,從而實現再生能耗的降低。
富液預加熱:解吸塔頂蒸汽潛熱可以預熱部分富液達到較高進料溫度,進而降低了系統的再生能耗。
3.3吸收劑介紹:
相比于傳統有機胺或醇胺溶劑,我公司的混合胺吸收劑及相變型吸收劑具備高吸收容量、高反應速率、低再生熱耗、低溶劑損失和低腐蝕性等優點。其中的相變吸收劑吸收完CO?之后能夠產生富相和貧相的分相,僅需將富相送去貧富液換熱器和解吸塔,貧相與再生后的貧液混合,經冷卻后進入吸收塔循環吸收CO?。只需加熱富相即可實現吸收劑再生,從而避免了傳統均相吸收劑再生過程中因為加熱水分所需大量汽化熱,大大降低再生熱耗。
不同組分的胺在一定配比、吸收溫度(30℃~50℃)、特定CO?吸收負荷范圍時形成分相。下層的富相體積占比為60%~70%,大部分的CO?富集在下層富相,解吸塔內富液循環量可減少30%~40%,解吸能耗降低。吸收劑中主要包括了主吸收劑、分相劑和活性劑,其中主吸收劑具有吸收速率快的特點;分相劑可以使吸收了CO?的富液分相,同時分相劑具有吸收容量大的特點;活化劑可以促進整個過程的CO?吸收。運行過程中相變吸收劑的分相與CO?負荷、吸收劑濃度和胺液溫度等有關,太低CO?負荷和太高CO?負荷都不會分相,太低吸收劑濃度也不會分相,太低的胺液溫度則會導致分相不明顯。

3.4針對界位識別的創新設計:
針對分相器內貧富相分相界位的識別問題,傳統的檢測方法包括接觸式傳感器(如浮球傳感器)、界位計、非接觸式激光或超聲波檢測等均不能滿足對于分相液位的識別需求,美斯頓致力于開發針對環保處理行業的 IoT(物聯網)技術,提供一種基于AI視覺的非接觸式界位分相檢測系統即機器眼InteligentEye,該機器眼產品通過深度學習模型實現多場景下的自適應界位識別,并引入硬件聯動系統,實現報警和控制動作,實現對不同胺液體系分相界面的高精度、實時檢測及預警處理。促進傳統工業的運營和維護流程向數字化轉型。
美斯頓機器眼InteligentEye-界位識別裝置由成像單元、補光單元組成感知層硬件設備矩陣,以機器視覺控制柜進行界位圖像識別、數據上報等操作,整體采用有源供電、可實現界位高度實時監測,秒級刷新,自動上報。

網絡拓撲圖

分相識別圖
3.5公司技術優勢:
?、俣ㄖ苹腃O?凈化度:根據工藝指標需要控制 CO?凈化度,我公司CO?捕集率高達95%;
②吸收容量大:我公司化學吸收劑的 CO?吸收容量為1.4~3mol/kg吸收劑溶液;
?、墼偕鸁崮芎牡停河捎谖夜久撎既芤旱奈杖萘看?,同等處理氣量下,再生熱能耗降低,每噸CO?在2.0~2.4GJ。
④溶劑損失少:我公司脫碳溶劑的蒸氣分壓低,氣體經冷卻分離后夾帶量較少。
?、菸夜净瘜W吸收劑腐蝕性低,設備可以長周期運行,可以降低設備材質要求從而降低設備成本。
?、薏捎没贏I視覺的非接觸式界位分相檢測方式,與傳統的檢測方法相比,檢測精度高,響應時間快,技術水平高。
3.6碳捕集技術專利

CO?捕集技術、吸收劑、催化劑及裝置部分專利展示
四、設備制造:
集團旗下的美斯頓(江蘇)技術有限公司于2020年起致力于環保治理。美斯頓(江蘇)是以生產環保設備為主的通用設備制造廠家,生產車間占地約 4000平方米,擁有專業的技術管理團隊以及高效的生產制造團隊,為中國的工業企業提供快捷、高效、權威的高質量設備及服務。
